- Главная
- Автомобильные подъемники
- Ножничные подъемники
- Мобильные подъемники
- KraftWell FORBI 4.5G/220 Подъёмник ножничный г/п 4,5 т. шиномонтажный
KraftWell FORBI 4.5G/220 Подъёмник ножничный г/п 4,5 т. шиномонтажный
- Производитель: KraftWell
- Страна изготовитель: КНР
- Артикул: FORBI 4.5G/220
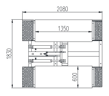
- Габариты: ДШВ 208х183х0 см
- Вес: 400 кг
- Гарантия: 1 год
- Кол-во мест: 2
- Категория: Подъемники шиномонтажные
на 2 мес
179 900 руб.
с НДС • 22%

Доставка
У нас вы можете рассчитать
доставку в ваш город
доставку в ваш город

Внимание!
Вы получили купон на скидку.
Эль-Монте
Описание
KraftWell FORBI 4.5G/220 -профессиональный ножничный подъёмник с питанием 220В, создан специально для шиномонтажных мастерских и сервисных центров. С грузоподъёмностью до 4,5 т он обеспечивает быстрый и безопасный подъём легковых автомобилей, внедорожников и коммерческих транспортных средств — идеально подходит для сезонной замены шин, балансировки и диагностики ходовой части.
Особенности:
- Высокая грузоподъёмность — позволяет работать практически со всеми автомобилями
- Ножничный механизм — плавный и стабильный подъём без рывков, равномерное распределение нагрузки на все элементы конструкции
- Компактность в сложенном состоянии — занимает минимум места, удобен для хранения и работы в условиях ограниченного пространства
- Низкий клиренс
- Широкая платформа — обеспечивает устойчивую опору для автомобиля, снижает риск смещения во время подъёма
- Гидравлический привод с электрическим насосом
- Аварийный клапан сброса давления — защищает от перегрузки и предотвращает неконтролируемое опускание
- Противоскользящее покрытие платформы — повышает безопасность работ, исключает проскальзывание колёс автомобиля
- Механический стопор — фиксирует подъёмник на нужной высоте для безопасной работы под автомобилем
- В комплекте поставляются регулируемые проставки для рамных автомобилей.
- Универсальность. Подходит для широкого спектра автомобилей — от компактных седанов до внедорожников и микроавтобусов
- Скорость обслуживания. Быстрый подъём и опускание сокращают время на замену шин и балансировку
- Безопасность. Многоуровневая защита (аварийный клапан, механический стопор, противоскольжение) гарантирует надёжность на всех этапах работы
- Простота эксплуатации. Интуитивное управление электрическим насосом снижает нагрузку на персонал
- Долговечность. Усиленная стальная конструкция с антикоррозийным покрытием рассчитана на интенсивную ежедневную эксплуатацию
- Применение: сезонная замена шин и дисков, диагностика подвески и тормозной системы, мелкий ремонт ходовой части, осмотр днища и элементов трансмиссии.
| Подъем до | 620 |
|---|---|
| Клиренс | 90 |
| Длина платформ до | 1345 |
| Время подъема/опускания | 45-50 |
| Тип | шиномонтажный |
| Сеть | 220 |
| Г/п | 4500 |
| Мощность | 2.2 |
| Категория | Подъемники шиномонтажные |
| Кол-во мест | 2 |
| Габариты (в упаковке) | |
| Вес (в упаковке) | 400 кг |

Внимание!
Вы получили купон на скидку.




































